A Scientific Introduction Whilst oil companies scan ocean beds in search of future drilling sites by which to
replenish our dwindling energy resources there seems to be little or no interest in looking for
energy within the omnipresent vacuum medium which exists everywhere, both here on Earth and
in outer space. The reason, of course, is that scientists do not recognize the vacuum as a source of energy.
They tell us that the vacuum is, in simple words, a mere 'nothing', but yet they teach by reference
to textbooks which declare that the vacuum has a magnetic permeability expressed as µo of value
410-7 henries per metre and a permittivity 1/µoc2 of 8.854187817x10-12 farads per metre. How can the vacuum, as a medium devoid of matter, be said to have such curious
properties if it is a mere nothing? Consider what we mean by that word 'permittivity'. It tells us
how much energy we can store by setting up a voltage between two metal plates in a vacuum.
That energy sits in the vacuum - not in those metal plates! The vacuum has a way of releasing
that energy when that voltage is reduced and that mysterious quantity we call 'permittivity'
governs that action. Note now my point that a magnetic property is also involved owing to that µo term, as is
c, the speed of light. Magnetism is basically a dynamic action arising from electric charge in
motion and motion implies energy. The vacuum, that mere 'nothing', also somehow determines
the speed of light c, a factor in the famous energy equation E = Mc2, and yet scientists ignore the
vacuum as a potential source of energy. There is indeed much they have to learn about this aspect
of Energy Science and I intend here to summarize this in four stages. In the first and third of these I will point to free energy technology that has been
demonstrated. In the second stage I will outline the physical principles involved and in the fourth
stage I will conclude my message by reminding you that our universe had to be created from
energy that apparently came from nowhere and cast some light on that great mystery. I. Capacitor Magic or a Mere Dream? I want you to imagine that you have discovered an electrical capacitor that you can charge
with energy and which, on discharge, gives you double that amount of energy as output. It is as
if you can perform magic, though you are merely dreaming. How would you turn this into a practical device? The problem you face is that the
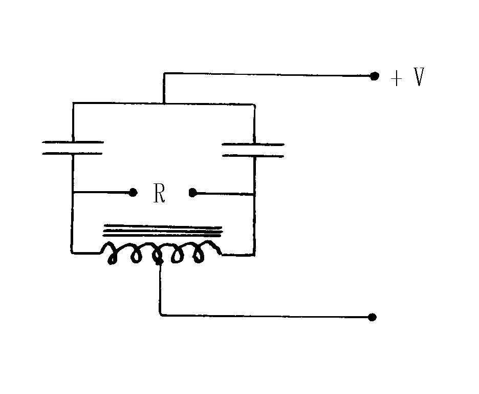
capacitance is quite small. Let me tell you how I would do it. I would connect two identical capacitors through an inductive circuit to form a resonant
system and let the energy oscillate between the two capacitors, as one discharges whilst the other
charges. I would draw power off, as, for example, by incorporating an electrical load denoted R
in the Fig. 1.This was written for presentation at the 2nd Berlin Conference for Innovative Energy Technologies organized by BINNOTEC e.V., Berlin and held at the location of SolarEnergy 2002, Messe Berlin, Messedamm 22, D-14055 in Berlin, Germany on June 13th-15th 2002.

Now, the chances are, that if I built such a device it would not work because of that low capacitance property and the energy loss owing to the resistance of the inductive circuit. So, exercising my ingenuity, I would connect a high d.c. voltage V to the capacitors (see Fig. 2), knowing that this additional source could not deliver energy continuously, once I had switched the device on. The reason is that d.c. does not flow through capacitors.

For a high enough d.c. voltage this would, as I can verify by basic electrical theory, have the quite remarkable effect of making the energy oscillations escalate in strength sufficiently to overcome the resistance loss problem. I would then surely have a working 'free energy' device.
If I did not use that high voltage d.c. polarizing source then there is still the possibility that I could get a self-sustaining oscillation and draw as output a small amount of 'free energy', but only if I made sure that the inductors were quite large and wound from thick gauge wire so as to have a very low resistance.
Can solving our future energy problems really be so simple? It is such a wonderful dream, truly magical, but we have, of course, to live with reality and here we need to face up to the facts of life. Can such a capacitor property ever be a reality? As to facts, I have several examples in mind, three of which I now mention.

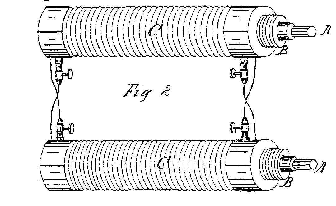
Firstly, as long ago as 1871, there was a U.S. patent granted which comprised two cross-coupled inductive components each having two concentric windings separated by insulation and so constituting, in effect, a capacitor which could develop a resonant oscillation with the inductance of the other cross-coupled component. Fig. 3 is a copy of Fig. 2 of that patent. The introductory paragraph of the patent specification stated that the invention:
'relates to the combination of two or more simple or compound helices and iron cores or magnets in such a manner as to produce a constant electric current without the aid of a galvanic battery'.
Here then in 1871 was U.S. Patent No. 119,825, as granted to Daniel McFarland Cook of Mansfield, Ohio, telling us how to build a device which somehow generates electricity with no evident power input source. Here I see a device in which electric charge can oscillate between the two components and somehow generate a steady excess of output energy which is supplied by the windings on those two inductive components. Here there was no priming d.c. high voltage input source, but large gauge wire was specified as essential for the inductive windings.
These were very early days in the history of the electrical power industry. Thomas Edison was only 24 years old and Nicola Tesla was 15 years of age at the time, so it is no wonder that this very important invention was buried in Patent Office records.
Secondly, there is the almost incredible story of the efforts of Dr. Henry Moray. It was reported that on 21 December 1925, Moray and three others, who went along to witness what was to be demonstrated, took a trip to a canyon in USA which was well removed from any electric power lines. A wire antenna was strung between two points well above the ground and connection made from the antenna to Moray's apparatus, which itself had a ground connection. Electric power was delivered as if from nowhere. It was said to be powered by 'radiant energy', energy somehow delivered via the aether, but in spite of repeated demonstrations, some delivering substantial power measured in kilowatt terms, Moray's discovery, notwithstanding our developing hunger for a new energy source, has not found its way into modern technology. The reason, of course, is incredulity on the part of our learned scientists plus lack of insight as to the true energy source.
A description of the Moray device by T. J. Yates of Cornell University, dated 16 March 1929, says that, in the demonstration he witnessed, two wooden boxes were placed on a table. On one box there was a high-frequency transformer and in the other box there were ten large capacitors and ten small capacitors, these all being connected by wires in a circuit including the antenna. One can see, therefore, that somehow it is possible to set up a resonant inductor-capacitor circuit which can deliver aether energy with the help of an antenna placed well above ground level in open air which delivers that high d.c. input voltage but not the steady input power needed to explain what was observed.
It is, by the way, experimental fact that atmospheric electricity exists everywhere in the open air and has a vertical voltage gradient of several hundred V/m. It is caused by solar-powered thermal radiation exerting a downward pressure on electrons in the atoms of our atmosphere. Of itself, this is not a useful source of power but, as the Moray apparatus shows, it can serve as a priming agency in setting up the operating charge on those capacitors.
Thirdly, there are the reports on the 'free energy' apparatus of the Methernitha community in Switzerland. They have an electrical generating machine they call Thesta-Distatica. It produces a substantial output of electrical power. Its main features are inductive coils connected to a pair of glass Leyden jars plus an electrostatic generator that we in England call a Wimshurst machine. When the discs of that Wimshurst machine rotate high voltages are generated and the pulsed output somehow activates the energy-generating properties of those two Leyden jars. A Leyden jar is merely a capacitor having concentric cylindrical electrodes, one on the outside and one on the inside of that glass jar. Here also we have two capacitors in an oscillatory circuit and a d.c. source that can supply high voltage but very little energy. Yet, somehow those capacitors can tap aether energy and generate electricity which serves that Swiss community.
I believe we have here a situation where there is skill and knowledge in that community as to how to build this 'free energy' device, but I feel sure that no one there understands the physics that can explain where the energy that is generated really comes from.
An extensive account of both this Swiss discovery and the story of Henry Moray's efforts is provided in a recently-published book by Keith Tutt entitled 'The Search for Free Energy', published in 2001 by Simon & Schuster (ISBN 0-684-86660-9).
II. The Physics of the 'Magic' Capacitor
All physicists have heard of Clerk Maxwell and Werner Heisenberg. Some few may have heard of Alexandre Veronnet. Maxwell's name is associated with electrical displacement within the aether (the medium we refer to as the 'vacuum'). Heisenberg's name is linked to quantum mechanics and the Principle of Uncertainty by which matter has an underlying jitter motion as if sharing a universal circular motion in tiny orbits at the very frequency physicists associate with the creation of the electron. As to Veronnet, he has also a place in history. On December 16, 1929 the French Academie des Sciences conferred the Henry Poincare medal on Louis de Broglie for his work on wave mechanics, but on that same occasion Veronnet was presented with the Prix Lalande for his works in astronomy. The point I want to make is that Veronnet saw the aether as having electrical structure and an underlying quantized angular motion akin the that we learn of from Bohr's theory. Veronnet realised that jitter motion in the aether could perhaps explain why electrons in atoms have a quantized angular momentum, that is, why they have specific energy quanta linked to their rotation.

So, as I see it, it is quite logical that we should be influenced by the perceptions of these three great men of science and begin to portray the aether as I do in Fig. 4 which I copy here from page 89 of my 1980 book 'Physics Unified' (ISBN 0-85056-009-8). Here I depict the vacuum as having a cubic structure, a state of order of the kind we see in crystals or in the magnetic domains of a ferromagnetic material. In each notional cubic cell there is an aether particle describing a circular orbit with all such particles keeping in step in a synchronous motion. They all have the same electrical polarity and are immersed in a continuum of uniform charge of opposite polarity and are attracted to their respective centres of those cubic cells, but are displaced from those centres to radii at which their mutual electrostatic energy avoids being negative. Therefore they must move in orbit to assure that their centrifugal force is in balance with the electrostatic force attracting them to the centres of those cubic cells. It all sounds very hypothetical, but I can assure you that this model of the aether holds the key to solving the prevailing mysteries of physics, and it is unquestionably correct.
However, here my subject is concerned with capacitors and their 'free energy' potential and I must not digress into other fascinating realms of fundamental physics. So let us now consider a parallel plate capacitor sitting in the aether as just portrayed. I refer now to Fig. 5.

When I asked myself what happens when an electric voltage is applied between those two capacitor plates I could see that the aether charges would all be displaced in unison relative to the centres about which they are in circular orbit. Then I could see that they could not keep strictly in synchronism with their counterparts elsewhere in nearby space unless they were subject to a continuous very high frequency oscillation of energy exchange, something I felt was impossible. Then, and by 'then' I mean nearly 50 years ago, I saw how Mother Nature deals with this problem. If that applied voltage has a two-fold effect, in that it displaces the aether charge in the direction of the electric field to a new equilibrium position but also produces, between the capacitor plates, a continuous motion of that charge at right angles to that direction, then there can be absolute synchrony with external space charge with no high frequency energy exchange problems. In Fig. 5 the centres of the charge orbits are indicated and one can see that charges seated between the capacitor plates have an eccentric orbital motion and so their velocities in orbit need to be compounded with a superimposed velocity in order to keep in synchronism throughout their orbital period. This means the whole structure of aether particles must acquire a linear motion in the space between the capacitor plates, a motion which increases as the voltage between those plates is increased.
In other words, I could see that one unit of electrical energy added to charge the capacitor would be supplemented by a further unit of energy accounting for that linear motion and it would be supplied by the external quantum jitter of the aether, since it was the external aether that was applying the constraint that assures the universal synchrony. Here was the 'free energy' source but the extra energy was locked into that aether motion and, as soon as the capacitor was discharged, that motion would collapse and dissipate the energy within the aether itself as it recovers and sustains its equilibrium.
What I have just described applies to the parallel plate capacitor but even back in the late 1950 era when I was researching on these matters I knew that that aether motion produced by electric field action could import both energy and angular momentum but I saw this as limited to the realm of cosmology and so of no technological significance. I earned my living by dealing with technological issues but still let my thoughts wander into pure physics and that higher plane that is the realm of those who seek to understand our universe on a grand scale and delve into that quest for the Holy Grail that is termed 'Unified Field Theory' and the problem of gravitation. With a Ph.D. in electrical engineering and working in a high technology corporate environment I really had no platform from which to project my scientific contribution, especially as my belief in a real aether medium made me an outcast from the world of theoretical physics.
Nevertheless, 20 years on, in the 1970s I had seen how the aether feeds energy into events on body Earth, as evidenced by the creation of the thunderball and the inflow of energy to power the action of a tornado. This was still far from the 'free energy' technology theme we are discussing today.

To jump rapidly ahead, now consider Fig. 6. Here I show a section of a concentric capacitor. That aether motion I mentioned is now not linear motion but rotary motion confined between the capacitor electrodes and so, when the capacitor voltage is reduced, that motion will have inertia and not dissipate by collisions which feed energy back into the enveloping aether. Instead, it will try to sustain the electric displacement, meaning that it will deploy its energy into the release of electrical energy which can be drawn from the capacitor. In other words, we have our 'magic capacitor'. It can deliver very nearly twice as much energy on discharge as is supplied during charging!
One, therefore, now has a physical explanation of the energy source that may have been tapped accidently and in ignorance of the true physics involved, by Cook back in 1871, Henry Moray in the 1920s and the Methernitha community in the 1980s.
That, at least is my personal assumption, and I leave it to others to judge on such matters, whilst I am all too conscious of the implications of what I say here from the point of view of patenting technology in this field.
If we now move ahead to develop technology that taps energy from the aether, guided by the physical principles just outlined, will the U.S. patent granted in 1871 be seen as prior disclosure? Will the work of Henry Moray, which was denied U.S. Patent protection, be seen as prior disclosure? Will the confusing reports we have heard concerning that Methernitha apparatus be seen as prior disclosure, when the only inference is that Leyden jars (concentric capacitors) were used in conjunction with a Wimshurst machine to deliver the `free energy' as they claim?
If so, then the patent system offers no incentive to those who pioneer the forthcoming revolution in the 'free energy' field, but we must do our best to take things forward in spite of the inevitable hostility of those who oppose our efforts.
III. 'Free Energy': The Way Forward
Fig. 7 shows how one can design a circuit aimed at tapping aether energy. I leave it to those of you who understand electrical circuit theory to work out what may be the practical scale of what is suggested on the basis of this 'magic capacitor' theme.

My own calculations assure me that a concentric capacitor system running at a bias of, say, 25,000 volts and oscillating at, say, 100 kHz, can deliver power, whether on a power/size or a power/weight basis, that can more than rival existing power plant technology - all with no chemical pollution and no cost for fuel input. It can even suit the needs we have for powering an automobile when our oil resources dry up.
One can, therefore, dream of what might be possible, but, as ever, one might be deluded and encounter new obstacles, but, at least, one should confront those who ridicule the possibility by getting them to heed the underlying scientific message in the hope that they will wake up and see the sense of joining us, or leading us, in our efforts.
As to those 'obstacles', one might doubt whether aether energy can flow in fast enough to satisfy one's design specification, but I feel assured on that from the performance data reported by those who have witnessed Henry Moray's demonstrations. The one 'obstacle' I would see as warranting special attention is the effect of large current oscillations at a high kHz or even MHz frequency in the large inductors of a future power generating plant. There are those who worry about the adverse EM (electromagnetic wave) radiation effects of using mobile telephones. To allay such concerns I draw attention to the Energy Science Report No. 10 that I published in 1997, 'Cyclotron Resonance in Human body Cells' (ISBN 0-85056-011-X), where I discussed the real danger, which occurs at the much lower power frequencies as used in overhead power lines and in electric blanket heating. High frequency EM power radiation leaking from our future power generating systems need only be an interference problem affecting radio communication that happens to be in the same frequency band.
As to the way forward, I can but draw attention to something I published in 1996 as Energy Science Report No. 8, 'Power from Space: The Correa Invention' (ISBN 0-85056-016-0). That report was essentially directed at highlighting the experimental findings in Canada of Alexandra and Paulo Correa, who have already proved over-unity operation of their PAGD (Pulsed Abnormal Glow Discharge) technology. As that report explains I see there the same physical action for generating excess power that I have just discussed. Also I mention that I was so interested by the recently reported experimental efforts of the Correas on another anomalous energy generating theme ['The Reproducible Thermal Anomaly of the Reich-Einstein Experiment under Limit Conditions', Infinite Energy, 7, 37, pp. 12-21, 2001] that it caused me to write about this energy inflow from the aether topic in a related article published earlier this year ['Gravity and its Thermal Anomaly', Infinite Energy, 7, 41, pp. 61-65, 2002].
In that Report No. 8 I also mentioned the apparatus designed by Geoffrey Spence, an inventor based in U.K. This is the subject of his U.S. Patent No. 4,772,816.
I feel, after what I have explained to you about the physical principles of tapping energy from the aether, that, just by looking at Fig. 8, copied from that patent, you will see how this relates to the Spence invention.
Electrons injected into a chamber formed between two concentric electrodes are deflected into the inner electrode by a pair of magnets that provide and magnetic field along the central axis of the concentric electrodes. Of itself, this should add no excess energy, because the energy fed into accelerating the electrons is merely absorbed by electrostatic

repulsion in charging the central electrode and so the capacitor. However, if that electron flow pulsates and there are connections to draw electron current from that central electrode then the pulsation implies a recurring sequence of charge and discharge. That 'magic capacitor' function is then harnessed.
The questions then are whether the Spence invention really works and whether it is commercially viable? Well, I wrote that Energy Science Report back in 1996, six years ago, and it is only a few months ago that I heard any more of that project. Geoffrey Spence has developed the prototype product to the stage where he has closed the loop in the sense that a portion of the output power was fed back to impart the energy needed to sustain the electron beams. He has a self-sustaining unit that can deliver kilowatts of useful electrical power with no visible energy input.
In the light of what I have discussed here, there will, no doubt, be those who take note of my message but say: "Well, we have heard it all before; so, when will see 'aether energy' heating our houses and powering our automobiles?" My answer is that it will be only be when the scientific explanation of that potential source of energy is well understood and endorsed by our energy research community. That is the real hurdle that stands in the way of progress, given that inventors in this field who see excess energy are mystified themselves.
I recall Stanley Meyer in 1993 at the International Symposium on New Energy held in Denver, Colorado (April, 1993) describing his so-called 'Water Fuel Cell'. He claimed to be producing a combustible gas mixture of hydrogen and oxygen by the electrical pulsing of a concentric cylindrical capacitor using water as a dielectric. His oral explanation and the paper as published in the conference proceedings were completely incomprehensible, even allowing for his terminology for a resistor as an 'amp consuming device' or as an 'amp inhibitor'. He inferred that some kind of cold fusion process was involved but it was evident he had no idea as to the true source of the excess energy that he was claiming.
So, having explained the energy source, and guided by what others have discovered, I feel vindicated in asserting that a concentric capacitor system can perform as the 'magic capacitor' of our dream world and I just hope that I may live long enough to see the technology applied on the grand scale.
IV. The Energy of Creation
As to the 'grand scale' of things, what can be grander than the creation of stars such as our sun and their satellites such as our Earth?
I see a beginning where matter, essentially protons and electrons, is dispersed throughout space, along with the electrical charges that come together to form the aether. Once the aether condenses from a state of chaos into the ordered state of its quantum form, as by shedding a little more of the energy which created that matter, then the phenomenon of gravitation would be born. There is analogy here with the state of ferromagnetism which appears in iron only when it cools into a state of order that we see as magnetic domains in the iron crystals. I simply mention this because it was my Ph.D. research interest in ferromagnetism that caused me to think in depth about the aether.
Once gravity appeared then those protons, being of greater mass than the electrons, would cluster together in each space domain to form a spherical body of matter having a positive electrical charge, pending the eventual arrival of all the electrons.
That would set up a radial electric field and, as I have explained, that means aether energy inflow and aether spin. The star so formed will acquire angular momentum and, as that builds up, the star will seek to shed much of that angular momentum as matter, and so we have the planets.
My message here is that the prospect of 'free energy' and our future on a non-polluted Earth is related to the very creation of this our Earth and the scientific community that seeks to explain everything as a Big Bang scenario in an expanding universe is wandering astray and neglecting the real issue common with the phenomenon of Creation, our concern with 'aether energy' as a 'free' energy source that can power our future.
Harold Aspden
8 March, 2002
See now the NOTES prepared to facilitate discussion of the controversial issues that the above Lecture will have opened.